12MP Auto Focus | Digital Mic*1 (SB63A3H13)
SB63A3H13 is an USB Video Class(UVC) compliant camera module designed for portable notebook PC image applications. It is a highly integrated system that provides a cost-effective and performance solution for video capture application. It shall be a reliable device that is embedded in notebook PC to transfer video data through USB interface to notebook PC.
SB63A3H13 provides Auto Focus and dIgital microphone opation.
規格書下載
產品應用
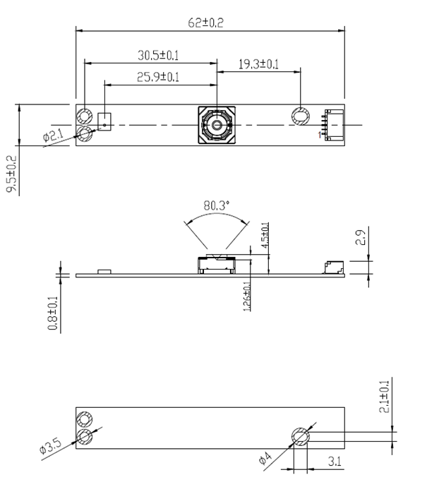
| Dimension (LWH/mm) | 62mm x 9.5mm TTL=5.3mm |
| Power Consumption | +4.85V ~ +5.25V |
| Output Interface | USB2.0 (480Mbit/sec) & USB1.1 |
| Operating Temperature | 0℃ to +70℃ |
| Field of View |
Diagonal: 80.3° Focus Range 10cm ~ ∞ |
| OS Support | Win11, Linux, Android |
| Compatibility |
USB 2.0 Video Class Compliant, Microsoft WHQL Certified USB 2.0 Audio Class Compliant, Microsoft WHQL Certified |
| Image Sensor | 1/3.06-inch 13M CMOS Image Sensor |
| Active Pixels | 4224 (H) x 3192 (V) 13.48 M pixels |
